-
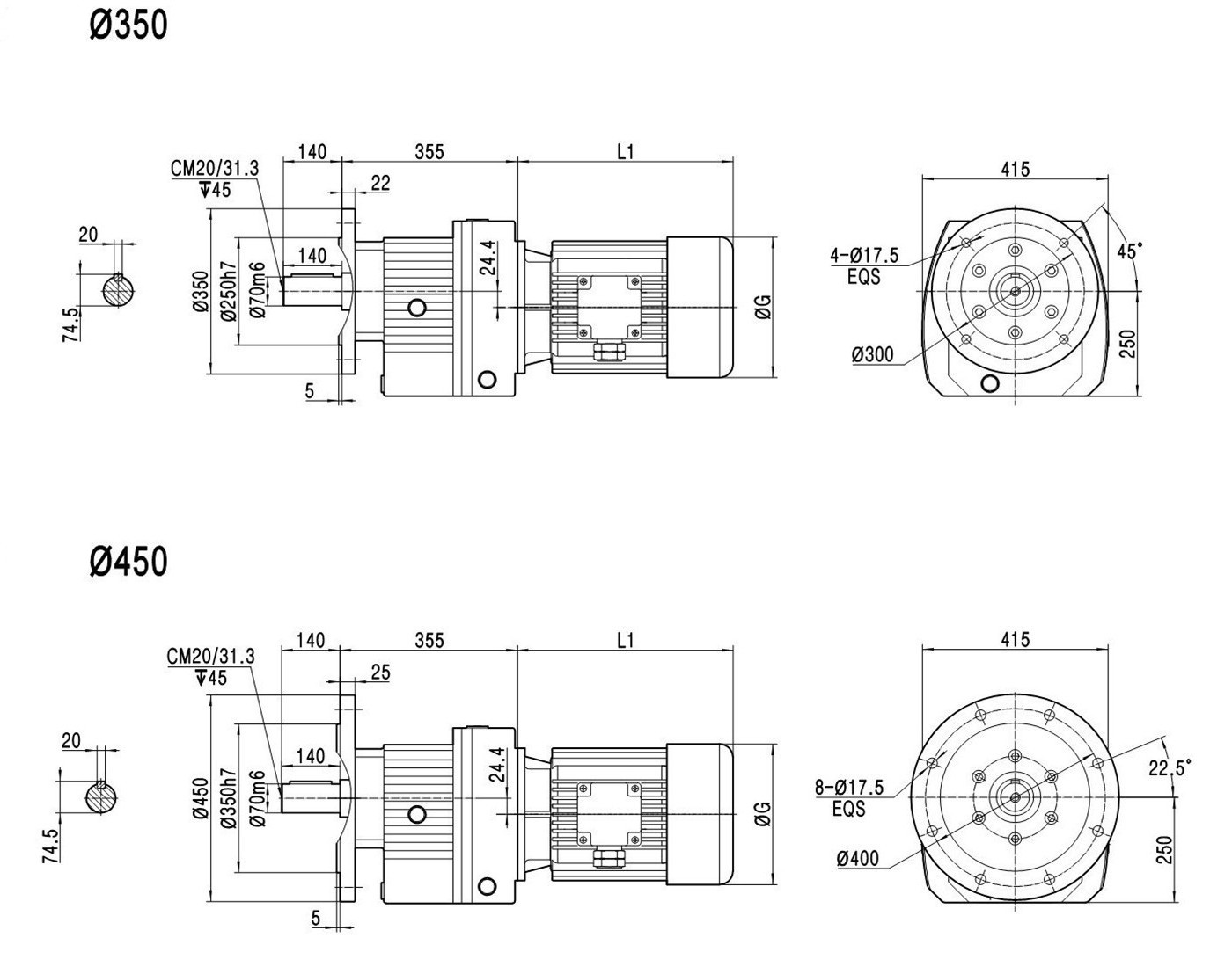
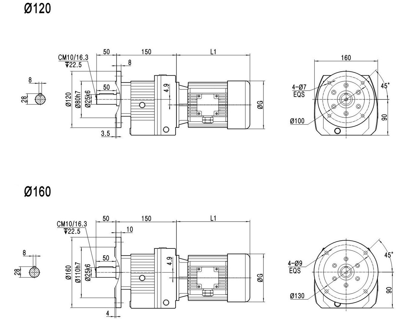
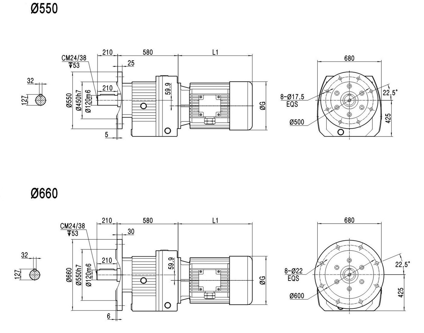
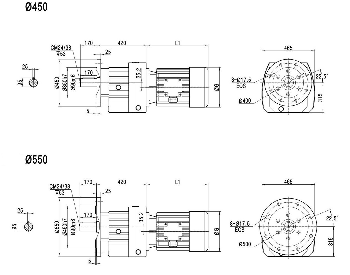
产品规格
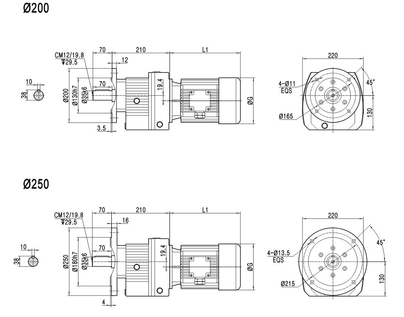
BORF39 BORF49 BORF59 BORF69 BORF79 BORF89 BORF99 BORF109 BORF139 BORF149 BORF169 BORF189
-
设计
●整体式机身设计。
●在同一个主体中呈现具有宽键速比和高扭矩值的2级和3级减速器。
●减少增加选项最多6个步骤。
●可以连接标准IEC B5和B14电机。
●可以选择电磁制动器。
●使用寿命长的轴承。
●GG20和GGG40铸铁材料。
●硬化和磨削的齿轮在58-62 HRc值之间。
配置
●可选的轴和法兰功能。
●伺服电机的特殊入口法兰。
●在电机电磁制动器(24V / 220V / 380V)的后面。
●机械锁应用。
●500-1024脉冲编码器解决方案。
●带变频器的电动机的独立风扇应用。












