-
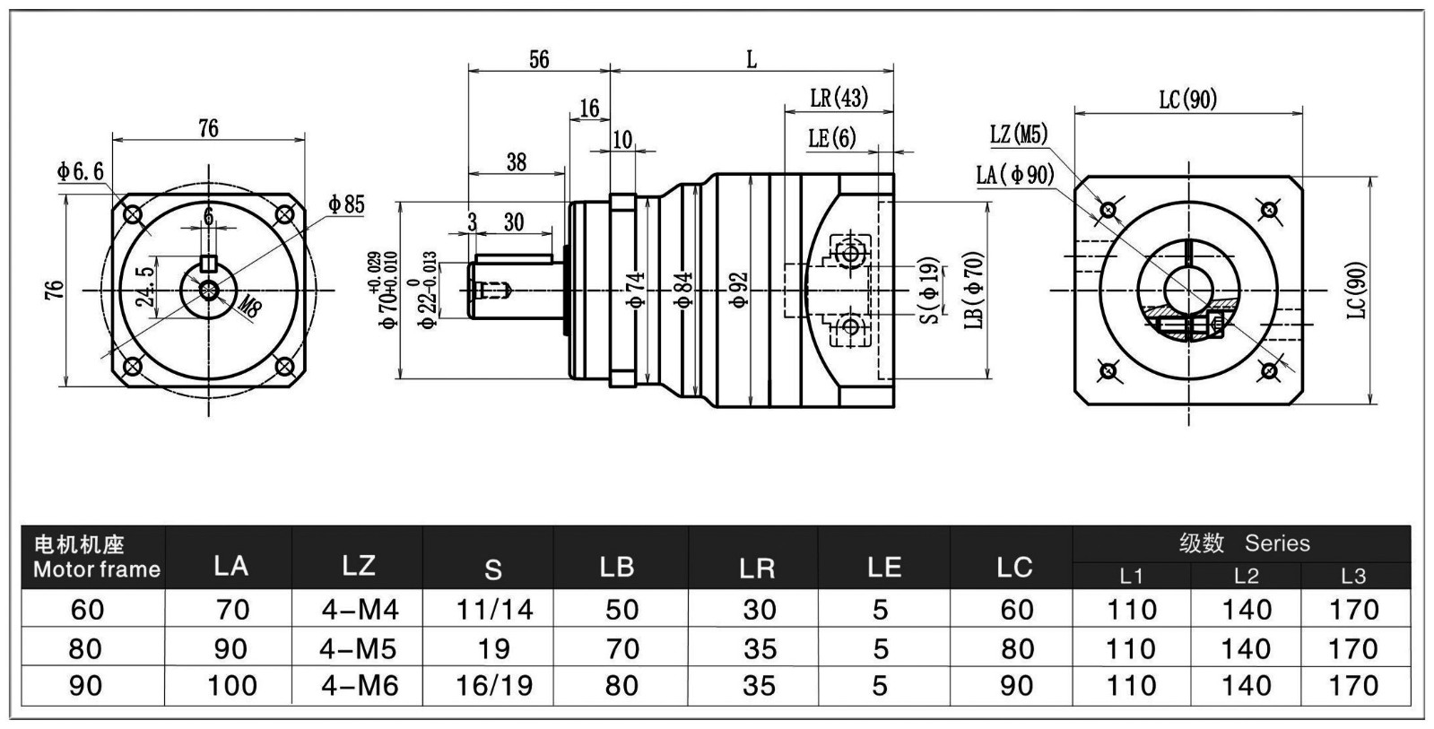
产品规格
BPG060 BPG075 BPG100 BPG140 BPG180 BPG210 BPG240
-
精密行星特点:
●输入轴和输出轴同轴。
●负载分配到多个行星齿轮上。
●效率极高,辗轧功率较低。
●通过固定减速机部件,适合用作行星减速机。
●可用作叠加减速机。
●使用寿命长的轴承。
●容积效率较高。
●应用范围广。











